
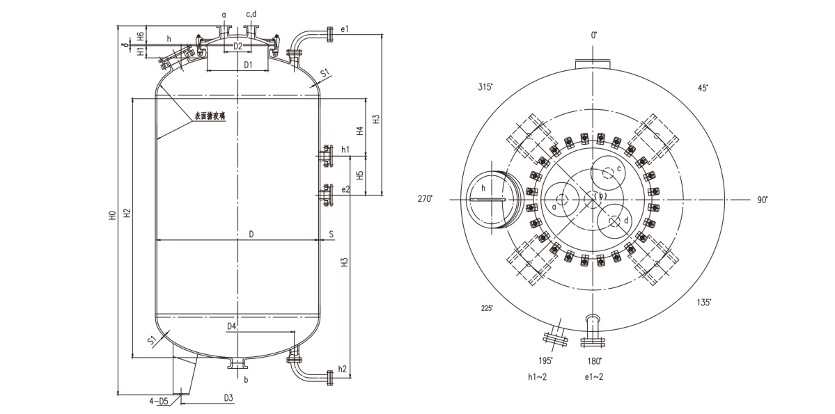
| Nominal Volume VN L | Actual Volume V L | Diameter D | Cylinder Wall Thickness S | Head Wall Thickness Si | Tank Cover Wall Thickness 务 | Gasket Thickness 8 | Nozzle Nominal Diameter,DN | Gauge Glass Nominal Length X Num | Reference Weight kg | |||||
| Import a | Outlet b | Spare Nozzle C | Spare Nozzle d | Manhole h | Gauge Glass | |||||||||
| 3000 | 3337 | 1450 | 14 | 14 | 8 | 10 | 65 | 125 | 65 | 65 | 100 | 65 | 1 400X2 | 1700 |
| 4000 | 4441 | 1600 | 16 | 16 | 8 | 10 | 65 | 125 | 65 | 65 | 125 | 65 | 1 500X2 | 2070 |
| 5000 | 5550 | 1600 | 16 | 16 | 8 | 10 | 65 | 125 | 65 | 65 | 125 | 65 | 1 800X2 | 2100 |
| 6300 | 7024 | 1750 | 18 | 18 | 8 | 10 | 65 | 125 | 65 | 65 | 125 | 65 | 1 900X2 | 3000 |
| 8000 | 8910 | 1900 | 18 | 18 | 8 | 10 | 65 | 125 | 65 | 65 | 125 | 65 | 2 000X2 | 3580 |
| 10000 | 11142 | 2200 | 20 | 20 | 10 | 10 | 80 | 150 | 65 | 65 | 125 | 65 | 1 900X2 | 4440 |
| 12500 | 13872 | 2400 | 22 | 22 | 10 | 10 | 80 | 150 | 65 | 65 | 125 | 65 | 2 000X2 | 5660 |
| 16000 | 17766 | 2400 | 22 | 22 | 10 | 10 | 80 | 150 | 65 | 65 | 125 | 65 | 1 700X3 | 6800 |
| 20000 | 22217 | 2600 | 24 | 24 | 10 | 10 | 80 | 150 | 65 | 65 | 125 | 65 | 1 800X3 | 8490 |
| 25000 | 27790 | 2800 | 24 | 24 | 10 | 10 | 80 | 150 | 65 | 65 | 125 | 65 | 1 900X3 | 9830 |
| 30000 | 33301 | 3000 | 26 | 26 | 10 | 10 | 80 | 150 | 65 | 65 | 125 | 65 | 2 000X3 | 11880 |
| 40000 | 44000 | 3200 | 28 | 28 | 10 | 10 | 80 | 200 | 80 | 65 | 125 | 65 | 2 200X3 | 15450 |
| 50000 | 55000 | 3400 | 30 | 30 | 10 | 10 | 80 | 200 | 80 | 65 | 125 | 65 | 2 400X3 | 19300 |